شیر خودکار تفلونی به منظور جلوگیری از بازگشت مایعات، گازها و بخار در خطوط پایپینگ استفاده می شوند. چک ولوهای ضد اسید با لاینینگ تفلونی درجاهایی استفاده می شوند که شیر خودکارهای استنلس استیل قادر به مقاومت در برابر خوردگی سیال نمی باشند. استفاده از شیرهای تفلونی از نظر اقتصادی بسیار ارزان تر از استفاده از متریال هایی مانند Hastelloy، Monel، Tantalum می باشد.
مشخصات شیر خودکار تفلونی
شیرهای یک طرفه ضد اسید می توانند دارای بدنه هایی از جنس استنلس استیل، کربن استیل و یا چدن داکتیل باشند. این نوع از ولوهای تفلونی عمدتاً به صورت فلنجی ساخته شده و دارای فلنج های PN10، PN 16 و کلاس 150 هستند. دمای قابل تحمل آن ها تا دمای 200 درجه سانتیگراد می باشد.
شیر خودکار تفلونی معمولا از سایز های 2/1 اینچ تا 8 اینچ تولید می شوند.
ایمنی بسیار بالا، لایه ضخیم PFA یا همان PTFE، فضای اشتغال شده بسیار کم از مزایای بال چک ولوها می باشد. استاندارد نشتی این نوع از شیرآلات EN12266-1 می باشد.
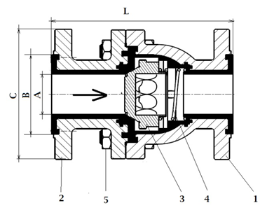
در شکل زیر می توان شکل شماتیک و نمای انفجاری بال چک ولو PFA از برند RICHTER را مشاهده کرد.

1: بدنه عموماً از متریال EN-JS 1049
2: فلنج عموماً از متریال EN-JS 1049
3:پیستون از جنس PTFE
4: فنر از جنس استنلس استیل 1.4310
5:Hexagon screw
6: Hexagon Nut

بهترین برندهای شیر خودکار تفلونی
از معروف ترین برندهای سازنده بال چک ولوهای ضد اسید می توان به XOMOX (تایپ های B201، B202، B101)، برند FLOWSERVE (تایپ ARV2)، بال چک ولو تفلونی RICHTER (تایپ های CV، BS، SRو … ( و AZ Armaturen اشاره کرد.


 
						 
						 
						 
						
بدون دیدگاه